80909125 - Testata di motorizzazione per 810003 albero Ø25 / Unità lineari motorizzabili z20 / Sistemi lineari di scorrimento / Prodotti / Alutec | Profili in alluminio, sistemi di trasporto e automazione industriale - Alutec Group
80909125 - Testata di motorizzazione per 810003 albero Ø25 / Unità lineari motorizzabili z20 / Sistemi lineari di scorrimento / Prodotti / Alutec | Profili in alluminio, sistemi di trasporto e automazione industriale - Alutec Group

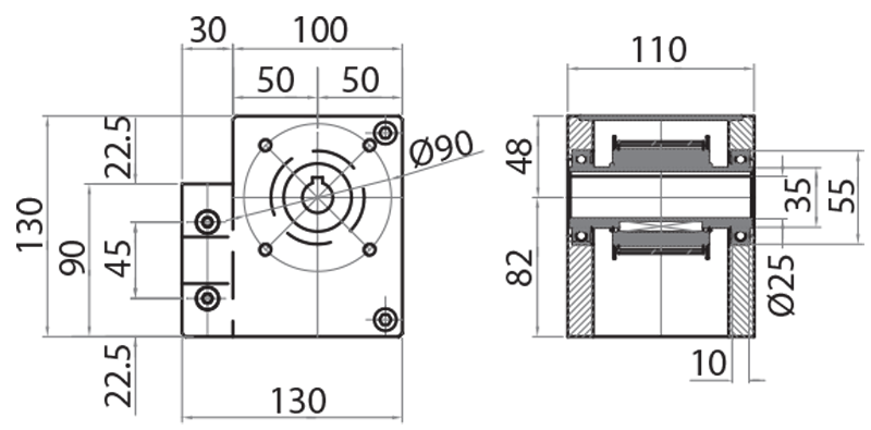
Testata di motorizzazione per 810003 albero Ø25

cod. 80909125

Testata di motorizzazione per 810003 albero Ø25


Download
Per poter visaulizzare i file (Disegni tecnici, DXF, DWG...) devi essere registrato e autenticato
Registrati o autenticati
Riferimento Materiale Pulegge Tipo Attacco albero e motoriduttore (mm) Peso (Kg)
80909125 alluminio e acciaio z 20
Ø primitivo=63,66 mm
Ø esterno=61,80 mm
per cinghia 50AT10 Ø25 - Ø90 2,700
Predisposta per attacco MVF49 Bonfiglioli