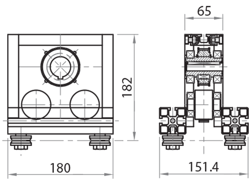
| Riferimento | Pulegge | Tipo di cinghia | Attacco albero e motoriduttore (mm) | Tipo di guida (mm) |
|---|---|---|---|---|
| M08245-16 |
z18 Ø primitivo=57,30 mm Ø esterno=55,45 mm |
16AT10 |
Ø14 - Ø68 |
Ø12 |
| M08245-25 |
z18 Ø primitivo=57,30 mm Ø esterno=55,45 mm |
25AT10 |
Ø18 - Ø87 |
Ø12 |
Predisposte con attacco per motoriduttori MVF30 e MVF44
| M08245-16 | Testata di traino per M08216 | M08245-16 | 0,00€ | |
| M08245-25 | Testata di traino per M08225 | M08245-25 | 0,00€ |


