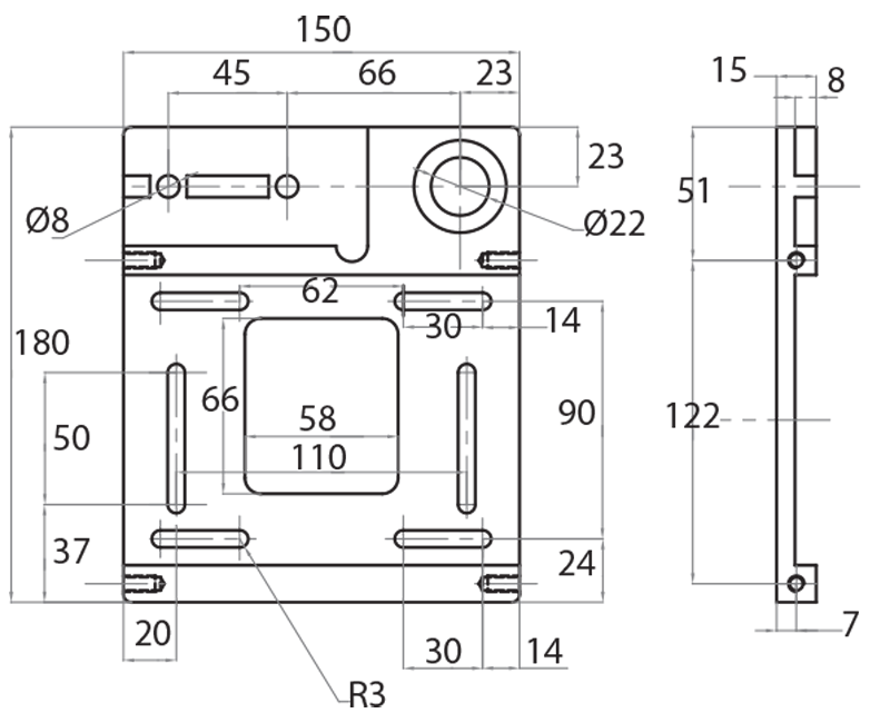
| Riferimento | Materiale | Stato di fornitura | Peso (Kg) |
|---|---|---|---|
| 904503SX | alluminio sabbiato | completa di cuscinetti, viti e carter di protezione | 0,512 |
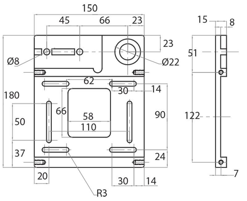
| Riferimento | Materiale | Stato di fornitura | Peso (Kg) |
|---|---|---|---|
| 904503SX | alluminio sabbiato | completa di cuscinetti, viti e carter di protezione | 0,512 |


