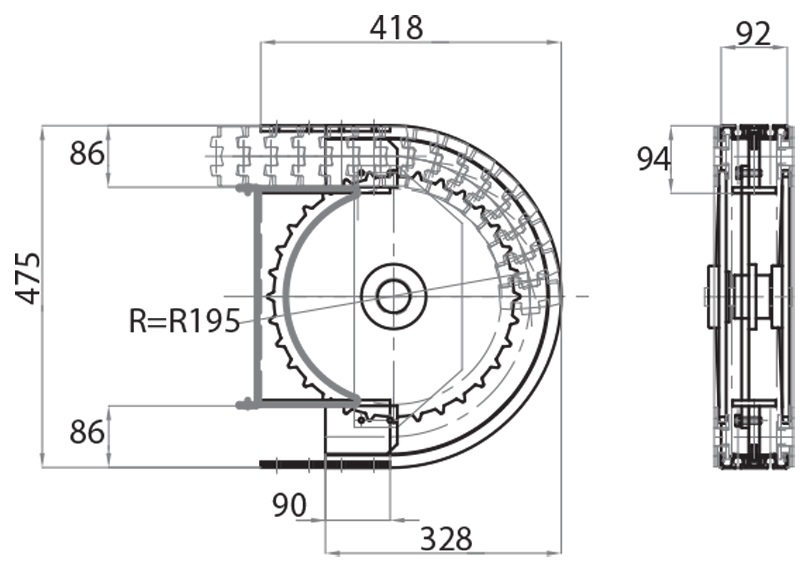
| Riferimento | Dimensioni canale (mm) | Largh. catena (mm) | Raggio medio (mm) | Angolo |
|---|---|---|---|---|
| AR232086-180 | 86 | 82,5 | 200 | 180° |
| AR200086-180* | 86 | 82,5 | 200 | 180° |
* Puleggia senza denti
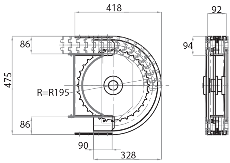
| AR232086-180 | Curva 180° rinvio (andata e ritorno) raggio medio 200 mm | AR232086-180 | 0,00€ | |
| AR200086-180 | Curva 180° rinvio (andata e ritorno) raggio medio 200 mm (puleggia senza denti) | AR200086-180 | 0,00€ |


