| Riferimento | Dimensione canale (mm) | Largh. catena (mm) | Ø primitivo (mm) | Ø esterno (mm) | Nr. denti |
|---|---|---|---|---|---|
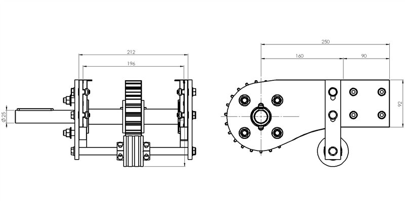
| ATS12196S | 196 | 190,5 | 147,2 | 149,9 | 23 |
| Riferimento | Dimensione canale (mm) | Largh. catena (mm) | Ø primitivo (mm) | Ø esterno (mm) | Nr. denti |
|---|---|---|---|---|---|
| ATS12196S | 196 | 190,5 | 147,2 | 149,9 | 23 |


