AR100127-180 - Curva 180° rinvio (andata) raggio medio 200 mm con ruota senza denti / Componenti per canale 127 mm / Aluflex trasporti a catena / Prodotti / Alutec | Profili in alluminio, sistemi di trasporto e automazione industriale - Alutec Group
AR100127-180 - Curva 180° rinvio (andata) raggio medio 200 mm con ruota senza denti / Componenti per canale 127 mm / Aluflex trasporti a catena / Prodotti / Alutec | Profili in alluminio, sistemi di trasporto e automazione industriale - Alutec Group

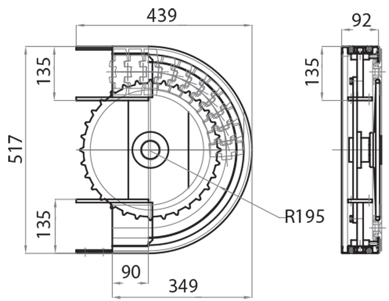
Curva 180° rinvio (andata) raggio medio 200 mm con ruota senza denti

cod. AR100127-180

Curva 180° rinvio (andata) raggio medio 200 mm con ruota senza denti


Download
Per poter visaulizzare i file (Disegni tecnici, DXF, DWG...) devi essere registrato e autenticato
Registrati o autenticati
Riferimento Dimensione canale (mm) Larghezza canale (mm) Raggio medio (mm) Angolo
AR132127-180 127 114,3 200 180°
AR100127-180* 127 114,3 200 180°
* Ruota senza denti