700006G - Profilo per scorrimento di 2 ante / Accessori di complemento / Accessori per strutture e protezioni / Prodotti / Alutec | Profili in alluminio, sistemi di trasporto e automazione industriale - Alutec Group
700006G - Profilo per scorrimento di 2 ante / Accessori di complemento / Accessori per strutture e protezioni / Prodotti / Alutec | Profili in alluminio, sistemi di trasporto e automazione industriale - Alutec Group

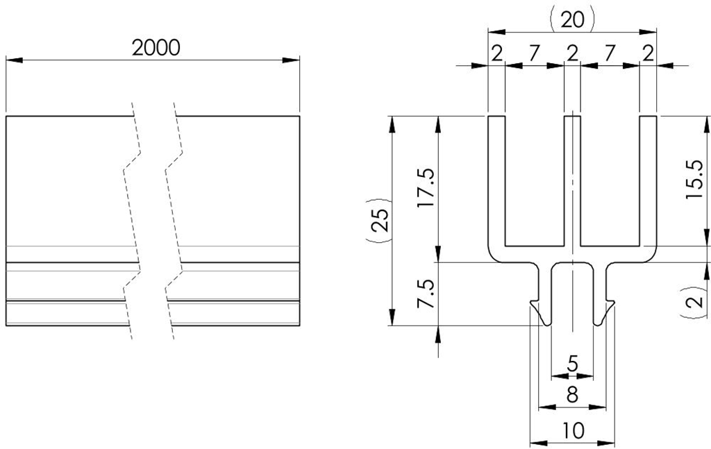
Profilo per scorrimento di 2 ante

cod. 700006G

Profilo per scorrimento di 2 ante


Download
Per poter visaulizzare i file (Disegni tecnici, DXF, DWG...) devi essere registrato e autenticato
Registrati o autenticati
Riferimento Materiale Spessore dei vetri/pannelli (mm) Stato di fornitura Peso (Kg/m)
700006 gomma antiolio nera 4 o 5 barre da 2 m 0,270
700006G gomma antiolio grigia 4 o 5 barre da 2 m 0,270