| Art. No. | Material | Assembly set | Gearmotor type | Weight (Kg) |
|---|---|---|---|---|
|
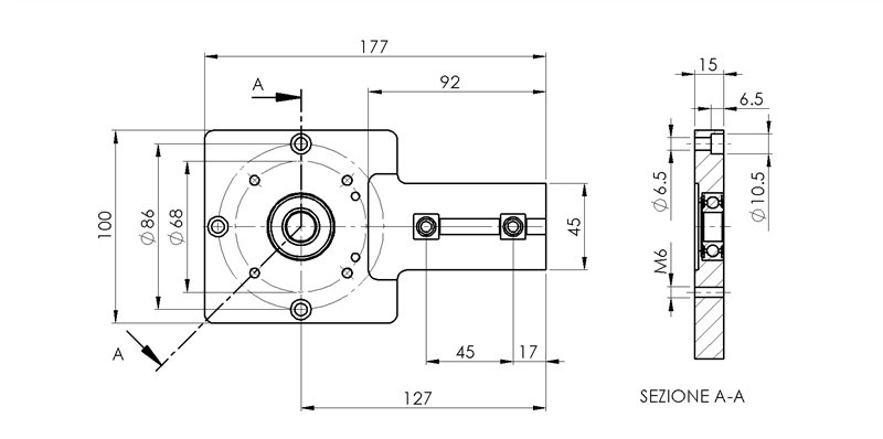
904502 |
sandblasted aluminium | complete with bearing, screws and nuts | MVF30F - MINIMOTOR | 1,350 |
| Art. No. | Material | Assembly set | Gearmotor type | Weight (Kg) |
|---|---|---|---|---|
|
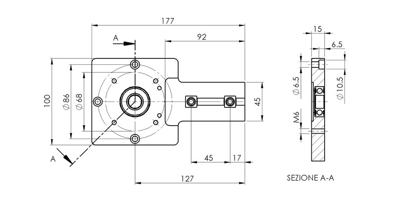
904502 |
sandblasted aluminium | complete with bearing, screws and nuts | MVF30F - MINIMOTOR | 1,350 |


