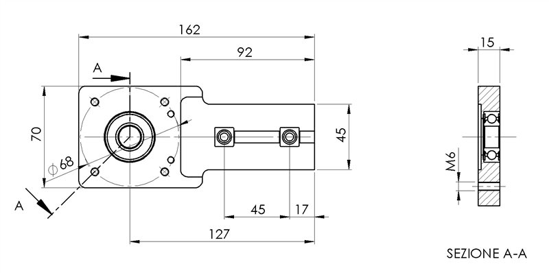
| Art. No. | Material | Assembly set | Gearmotor type | Weight (Kg) |
|---|---|---|---|---|
|
904502-M |
sandblasted aluminium | complete with bearing, screws and nuts | MVF30F - NMRV030 | 1,350 |
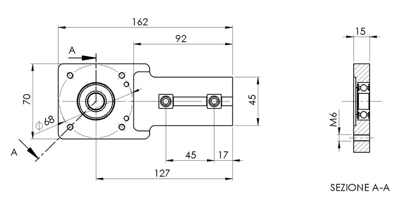
| Art. No. | Material | Assembly set | Gearmotor type | Weight (Kg) |
|---|---|---|---|---|
|
904502-M |
sandblasted aluminium | complete with bearing, screws and nuts | MVF30F - NMRV030 | 1,350 |


