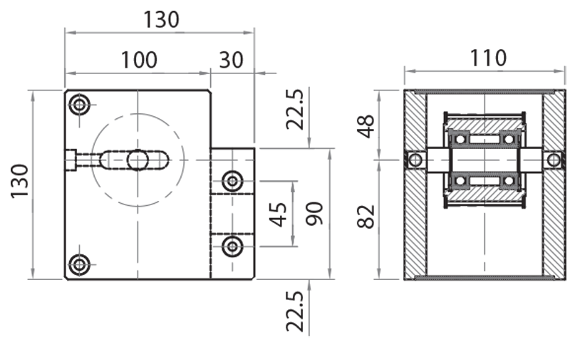
| Art. No. | Material | Pulleys | Belt type | Weight (Kg) |
|---|---|---|---|---|
| 809090 | aluminium and steel | z 20 pitch Ø=63,66 mm external Ø=61,80 mm |
50AT10 | 2,400 |
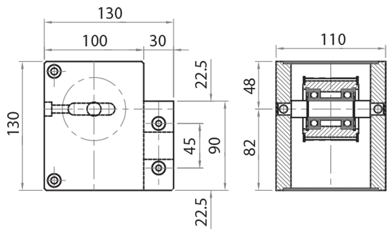
| Art. No. | Material | Pulleys | Belt type | Weight (Kg) |
|---|---|---|---|---|
| 809090 | aluminium and steel | z 20 pitch Ø=63,66 mm external Ø=61,80 mm |
50AT10 | 2,400 |


