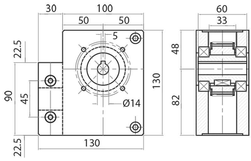
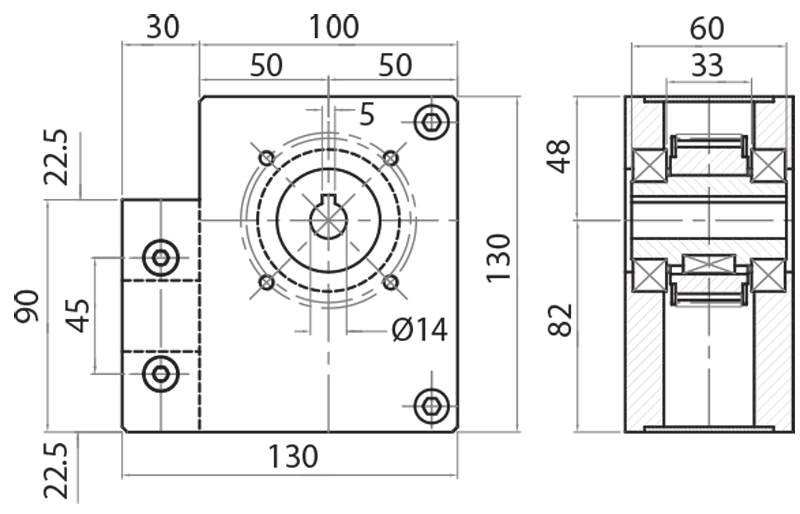
| Art. No. | Material | Pulleys | Belt type | Shaft and gear motor fastening (mm) | Weight (Kg) |
|---|---|---|---|---|---|
| 804593/14 | aluminium and steel | z 20 pitch Ø=63,66 mm external Ø=61,80 mm |
25AT10 | Ø14 - Ø68 | 2,500 |
| 804593/18 | aluminium and steel | z 20 pitch Ø=63,66 mm external Ø=61,80 mm |
25AT10 | Ø18 - Ø87 | 2,500 |
Suitable for MVF30 and MVF44 fastening
| 804593/14 | Drive unit for 810002 - fastening Ø14 | 804593/14 | 0.00€ | |
| 804593/18 | Drive unit for 810002 - fastening Ø18 | 804593/18 | 0.00€ |


