| Art. No. | Material | Assembly set | Function | Weight (Kg) |
|---|---|---|---|---|
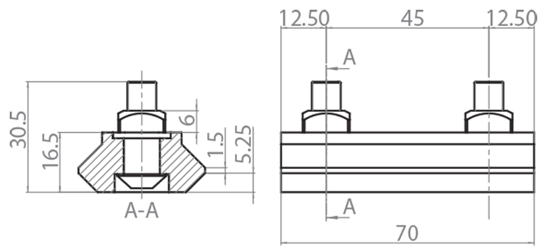
| 703507 | high density polypropylene | complete with bushing, screw and nut | suitable for sliding on 102243 profile | 0,540 |
| Art. No. | Material | Assembly set | Function | Weight (Kg) |
|---|---|---|---|---|
| 703507 | high density polypropylene | complete with bushing, screw and nut | suitable for sliding on 102243 profile | 0,540 |


