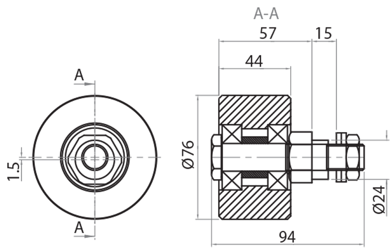
| Art. No. | Material | Force (N) | Speed (m/min) | Weight (Kg) |
|---|---|---|---|---|
| 820576 | pin in steel, wheel in black polyamide |
axial=200 radial=800 |
120 | 0,585 |
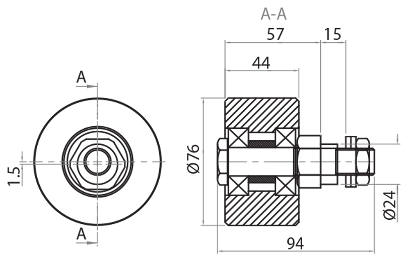
| Art. No. | Material | Force (N) | Speed (m/min) | Weight (Kg) |
|---|---|---|---|---|
| 820576 | pin in steel, wheel in black polyamide |
axial=200 radial=800 |
120 | 0,585 |


