Register
×
Iscrizione alla newsletter
* I confirm that I have read the
privacy policy
Remember Me
Register
Accedi all'area riservata
×
Accedi
Ricerca
×
Home
Alutec
Alutec
Mission
Alutec Service
Alutec Robotics
Alutec Food
Projects and Realizations
Products
Aluminium profiles
Groove
8mm Groove
Groove 8 series 40
Groove 5 standard
Groove 6 series 30
Groove 10 series 45
Groove 10 series 50
Self tapping light profiles
Angled profiles
Semi-closed profiles
Rounded profiles
Telescopic profiles
Angle-shaped profiles
Profiles for conveyor lines
Fastening accessories
Connections: angle brackets, fastening plates, butt joints
Screws, nuts, washers
Support accessories
Fastening plates for feet and castors
Anti-vibration articulated feet
Fixable anti-vibration articulated feet
Swivel castors
Floor-fastening brackets
Accessories for structures and protections
Completion accessories
Completion elements
Accessories for profiles with 5 mm groove
Accessories for profiles with 8 mm groove (Series 40)
Security panels
Drilling tools
Supports and guides
Connectors and sensors supports
Aluminium connectors
Lateral guides
Guides supports
Aluflex
Components for channel 65 mm
Components for channel 86 mm
Components for channel 127 mm
Components for channel 196 mm
Components for channel 259 mm
Components for channel 314 mm
Completion accessories
Linear sliding systems
Sliding wheels and balls
Linear guides Ø12
Linear guides Ø20
Moving on 60x180 and 60x130 profiles
Guides, runners and wheels
Motorized linear units
Motorized linear units z20
Carriage driven linear unit
Protected belt drive and screw drive linear units
Linear positioners
Conveyor belts
Motorized conveyor with rollers Ø50
Motorized conveyor with rollers Ø95
Motorized conveyor with rollers Ø20
Accessories for conveyor belts
Accumulation conveyors
Light loads conveyor
Lateral belts conveyor
Accumulation conveyor with chain 3/8"
Accumulation conveyor with chain 3/4"
Accessories for conveyor lines
Components for roller conveyors
Workstations and assembly lines
Compressed air components
Sliding tracks
Completion elements
Tubolar systems
Tubolar profiles
Tubolar frame connectors
Roller conveyor and fastening brackets
Covers and caps
Stainless steel structures
Stainless steel components
Sealing accessories
Safety switches
End caps for profiles
Terminals
Robot
Gantry and Desktop Solutions
Robot accessories
Motion Control Alpha
Photovoltaic
Download
Marketing - Catalogues
Marketing - Video
Technical area
Blog
Configurator
Workbenches
Conveyor Belts
News
Contacts
ita
eng
deu
Alutec | Profili in alluminio, sistemi di trasporto e automazione industriale
Prodotti
Accessori per banchi di lavoro e linee di montaggio
Componenti aria compressa
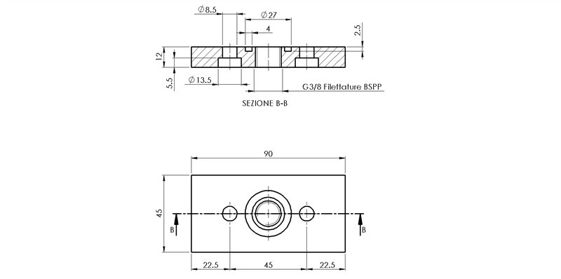
Base plate for compressed air inlet with 3/8" G thread
cod. 700017
Base plate for compressed air inlet with 3/8" G thread
Download
To be able to view files (technical drawings, DXF, DWG...) you must be registered and authenticated
Register
o
log In
Art. No.
Material
Assembly set
Thread
Weight (Kg)
700017
die-cast aluminium
complete with OR
3/8" G
0,084
Ricerca
Aluminium profiles
Groove
8mm Groove
Groove 8 series 40
Groove 5 standard
Groove 6 series 30
Groove 10 series 45
Groove 10 series 50
Self tapping light profiles
Angled profiles
Semi-closed profiles
Rounded profiles
Telescopic profiles
Angle-shaped profiles
Profiles for conveyor lines
Fastening accessories
Connections: angle brackets, fastening plates, butt joints
Screws, nuts, washers
Support accessories
Fastening plates for feet and castors
Anti-vibration articulated feet
Fixable anti-vibration articulated feet
Swivel castors
Floor-fastening brackets
Accessories for structures and protections
Completion accessories
Completion elements
Accessories for profiles with 5 mm groove
Accessories for profiles with 8 mm groove (Series 40)
Security panels
Drilling tools
Supports and guides
Connectors and sensors supports
Aluminium connectors
Lateral guides
Guides supports
Aluflex
Components for channel 65 mm
Components for channel 86 mm
Components for channel 127 mm
Components for channel 196 mm
Components for channel 259 mm
Components for channel 314 mm
Completion accessories
Linear sliding systems
Sliding wheels and balls
Linear guides Ø12
Linear guides Ø20
Moving on 60x180 and 60x130 profiles
Guides, runners and wheels
Motorized linear units
Motorized linear units z20
Carriage driven linear unit
Protected belt drive and screw drive linear units
Linear positioners
Conveyor belts
Motorized conveyor with rollers Ø50
Motorized conveyor with rollers Ø95
Motorized conveyor with rollers Ø20
Accessories for conveyor belts
Accumulation conveyors
Light loads conveyor
Lateral belts conveyor
Accumulation conveyor with chain 3/8"
Accumulation conveyor with chain 3/4"
Accessories for conveyor lines
Components for roller conveyors
Workstations and assembly lines
Compressed air components
Sliding tracks
Completion elements
Tubolar systems
Tubolar profiles
Tubolar frame connectors
Roller conveyor and fastening brackets
Covers and caps
Stainless steel structures
Stainless steel components
Sealing accessories
Safety switches
End caps for profiles
Terminals
Robot
Gantry and Desktop Solutions
Robot accessories
Motion Control Alpha
Photovoltaic
Download
To be able to view files (technical drawings, DXF, DWG...) you must be registered and authenticated
Register
o
log In