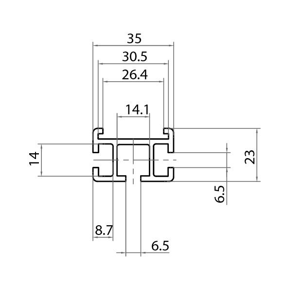
| Bending inertial moment lx | Bending inertial moment ly | Section modulus wx | Section modulus wy | Color | Art. No. | Weight |
|---|---|---|---|---|---|---|
| 1,42 cm4 | 3,49 cm4 | 1,23 cm3 | 2,00 cm3 | Natural | 102335 | 0,694Kg/m |
SPECIFICATIONS
Alloy: AI 6060
Physical state: T6
Tolerances: DIN 17615
Coating: Anodic treatment 15 μ mm


