| Art. No. | Material | Assembly set | Function | Angles | Weight (Kg) |
|---|---|---|---|---|---|
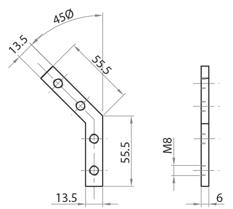
| 321345 | zinc-coated steel | complete with 4 screws M8 | groove insertable for profiles butt and other fastening | 45° | 0,080 |
| Art. No. | Material | Assembly set | Function | Angles | Weight (Kg) |
|---|---|---|---|---|---|
| 321345 | zinc-coated steel | complete with 4 screws M8 | groove insertable for profiles butt and other fastening | 45° | 0,080 |


