| Art. No. | Material | Supply size | Function | Weight (Kg/m) |
|---|---|---|---|---|
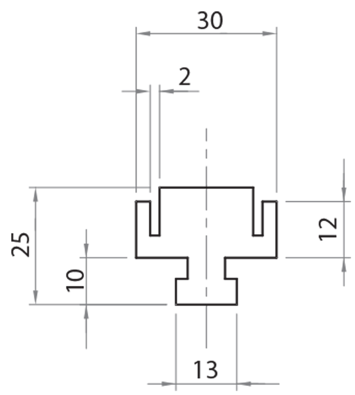
| 700008 | black polyzene | 2 m bars | to be fixed into the groove, suitable for realization of double insulating panels | 0,518 |
| Art. No. | Material | Supply size | Function | Weight (Kg/m) |
|---|---|---|---|---|
| 700008 | black polyzene | 2 m bars | to be fixed into the groove, suitable for realization of double insulating panels | 0,518 |


