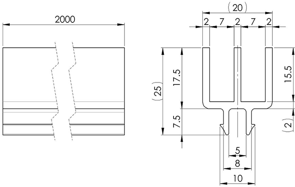
| Art. No. | Material | Glass/panel thickness (mm) | Supply size | Weight (Kg/m) |
|---|---|---|---|---|
| 700006 | black anti-oil rubber | 4 or 5 | 2 m bars | 0,270 |
| 700006-G | grey anti-oil rubber | 4 or 5 | 2 m bars | 0,270 |
| 700006 | Profile for 2 doors sliding in PVC or polycarbonate - black | 700006 | 0.00€ | |
| 700006G | Profile for 2 doors sliding in PVC or polycarbonate - grey | 700006G | 0.00€ |


