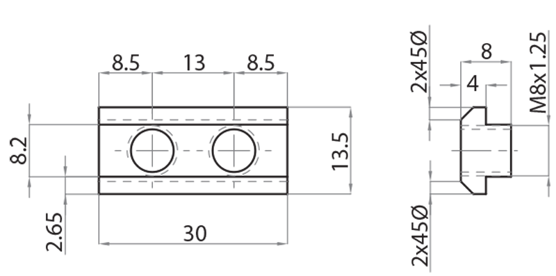
| Art. No. | Material | Assembly set | Function | Joint length (mm) | Weight (Kg) |
|---|---|---|---|---|---|
| 321311 | zinc-coated steel | complete with 1 screw | groove insertable for profiles butt and other fastening | 33 | 0,014 |
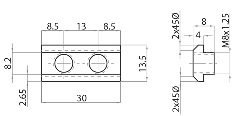
| Art. No. | Material | Assembly set | Function | Joint length (mm) | Weight (Kg) |
|---|---|---|---|---|---|
| 321311 | zinc-coated steel | complete with 1 screw | groove insertable for profiles butt and other fastening | 33 | 0,014 |


