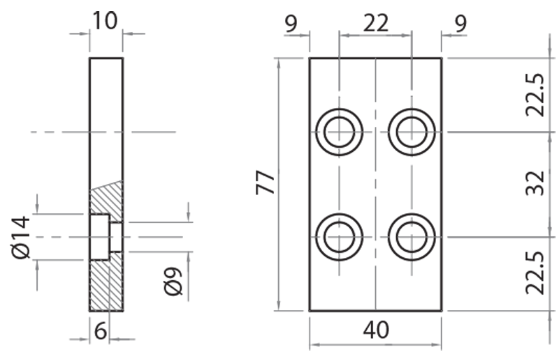
| Art. No. | Material | Profile type | Function | Weight (Kg) |
|---|---|---|---|---|
| 300032 | sandblasted aluminium | 32x32 + 45x45 | suitable for fixing more protection panels | 0,073 |
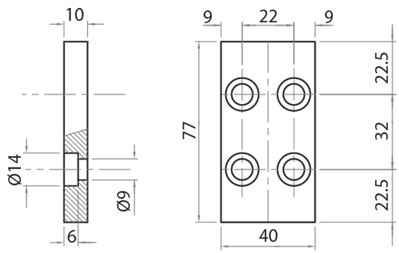
| Art. No. | Material | Profile type | Function | Weight (Kg) |
|---|---|---|---|---|
| 300032 | sandblasted aluminium | 32x32 + 45x45 | suitable for fixing more protection panels | 0,073 |


