102243 - Slot insertable profile for sliding runner / Special profiles / Aluminium profiles / Products / Alutec | Profili in alluminio, sistemi di trasporto e automazione industriale - Alutec
102243 - Slot insertable profile for sliding runner / Special profiles / Aluminium profiles / Products / Alutec | Profili in alluminio, sistemi di trasporto e automazione industriale - Alutec

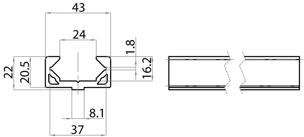
Slot insertable profile for sliding runner

cod. 102243

Slot insertable profile for sliding runner


Download
To be able to view files (technical drawings, DXF, DWG...) you must be registered and authenticated
Register o log In
Bending inertial moment lx Bending inertial moment ly Section modulus wx Section modulus wy Weight
1,7008 cm4 8,521 cm4  1,342 cm3  3,963 cm3  0,997Kg/m 
GENERAL CHARACTERISTICS
ALLOY EN AW-6060
PHYSICAL STATUS T6
MECHANICAL PROPERTIES UNI EN 755-2
CHEMICAL COMPOSITION UNI EN 573-3
SHAPE TOLERANCES UNI EN 12020-2
SURFACE TREATMENT ANODIC OXIDATION 15 µm
* On request: mill finish / black anodized / raw
Supply: bars with length 6010 mm
* Minimum supply required