700251SP - Friction roller cap / Components for roller conveyors / Accumulation and roller conveyors / Products / Alutec | Profili in alluminio, sistemi di trasporto e automazione industriale - Alutec
700251SP - Friction roller cap / Components for roller conveyors / Accumulation and roller conveyors / Products / Alutec | Profili in alluminio, sistemi di trasporto e automazione industriale - Alutec

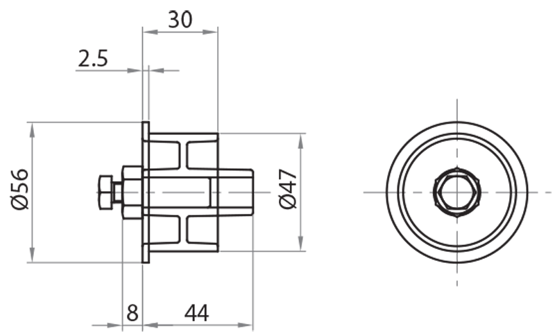
Friction roller cap

cod. 700251SP

Friction roller cap


Download
To be able to view files (technical drawings, DXF, DWG...) you must be registered and authenticated
Register o log In
Art. No. Material Assembly set Weight (Kg)
700251 polyamide and steel complete with pin 700251P and M8x20 screw 0,073
700251SP polyamide without pin 700251P and M8x20 screw 0,003