ATS12128 - 12 teeth pulling head (left) for chain 114,3 / Components for channel 127 mm / Aluflex chain conveyors / Products / Alutec | Profili in alluminio, sistemi di trasporto e automazione industriale - Alutec Group
ATS12128 - 12 teeth pulling head (left) for chain 114,3 / Components for channel 127 mm / Aluflex chain conveyors / Products / Alutec | Profili in alluminio, sistemi di trasporto e automazione industriale - Alutec Group

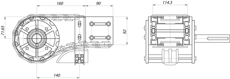
12 teeth pulling head (left) for chain 114,3

cod. ATS12128

12 teeth pulling head (left) for chain 114,3


Download
To be able to view files (technical drawings, DXF, DWG...) you must be registered and authenticated
Register o log In
Art. No. Channel dimension (mm) Chain width (mm) Pitch Ø (mm) External Ø (mm) No. of teeth
ATS12127 127mm with sliding shoe 114,3 147,2 149,9 12
ATS12128 127mm with roller 114,3 147,2 149,9 12