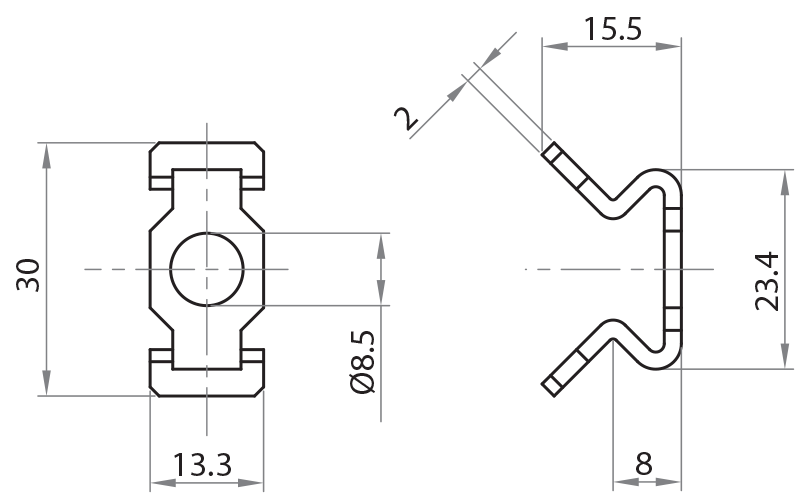
| Riferimento | Materiale | Funzione | Coppia torsionale massima (Nm) | Peso (Kg) |
|---|---|---|---|---|
| 210814 | Acciaio zincato | consente il montaggio antirotazione dei profili | 25 | 0,007 |
| Riferimento | Materiale | Funzione | Coppia torsionale massima (Nm) | Peso (Kg) |
|---|---|---|---|---|
| 210814 | Acciaio zincato | consente il montaggio antirotazione dei profili | 25 | 0,007 |


