Registrieren
×
Iscrizione alla newsletter
* Ich bestätige, dass ich die
Datenschutzerklärung
gelesen habe
Remember Me
Registrieren
Accedi all'area riservata
×
Accedi
Ricerca
×
Homepage
Alutec
Alutec
Mission
Alutec Service
Alutec Robotics
Alutec Food
Projekte und Realisierungen
Produkte
Aluminiumprofile
Hohl
8mm Hohl
8mm Hohl Serie 40
5mm Hohl Standard
6mm Hohl Serie 30
10mm Hohl Serie 45
10mm Hohl Serie 50
Leichte, selbstschneidende Profile
Winkligprofile
Halbgeschlossene Profile
Abgerundete Profile
Teleskopische Profile
Kantenprofile
Profile für Förderanlagen
Befestigungszubehör
Verbindungen: Winkel, Plättchen, Verbindungsstücke
Schrauben, Muttern, Unterlegscheiben
Stützzubehör
Befestigungsflansche für Füße und Räder
Schwingungsdämpfende Gelenkfüße
Schwingungsdämpfende, montierbare Gelenkfüße
Lenkrollen
Bodenverankerungen
Zubehör für Strukturen und Schutzeinrichtungen
Ergänzendes Zubehör
Abschließendes Zubehör
Zubehör für 5 mm Hohlprofile
Zubehör für 8 mm Hohlprofile Serie 40
Sandwich-Elemente
Bearbeitungswerkzeuge
Halterungen und Führungen
Klemmelemente und Halterungen für Fotozellen
Klemmelemente aus Aluminium
Halteführungen
Halterungen für Führungen
Aluflex
Komponenten für Rinne 65 mm
Komponenten für Rinne 86 mm
Komponenten für Rinne 127 mm
Komponenten für Rinne 196 mm
Komponenten für Rinne 259 mm
Komponenten für Rinne 314 mm
Ergänzendes Zubehör
Lineare Laufsysteme
Laufräder und Kugeln
Linearführungen Ø12
Linearführungen Ø20
Bewegung auf Profilen 60x180 und 60x130
Führungen, Schlitten und Räder
Motorisierbare Lineareinheiten
Motorisierbare Lineareinheiten z20
Lineareinheiten mit Zwischensteuerung
Geschützte Lineareinheiten mit Riemen und mit Schraube
Linearpositionierer
Förderbänder
Motorisierter Förderer mit Rollen Ø50
Motorisierter Förderer mit Rollen Ø95
Motorisierter Förderer mit Rollen Ø20
Zubehör für Förderbänder
Stauförderer
Leichtes Förderband
Bandförderer
Stauförderer mit Kette 3/8"
Stauförderer mit Kette 3/4"
Zubehör für Förderlinien
Bauteile für Rollenförderer
Arbeitsstationen und Montagelinien
Druckluftkomponenten
Laufflächen
Ergänzende Elemente
Rohrsysteme
Rohrprofile
Verbindungselemente
Rollenförderer und Verbindungsflansche
Schlusselemente
Edelstahlkonstruktionen
Edelstahlkomponenten
Zubehör für Verschlüsse
Sicherheitsschalter
Schlusstücke
Schlusstücke
Roboter
Gantry and Desktop Solutions
Zubehör für Roboter
Motion Control Alpha
Photovoltaik
Herunterladen
Marketing - Kataloge
Marketing - Video
Technischer Bereich
Blog
Konfigurator
Werkbänke
Förderbänder
Nachrichten
Kontakte
ita
eng
deu
Alutec | Profili in alluminio, sistemi di trasporto e automazione industriale
Prodotti
Accessori di sostegno
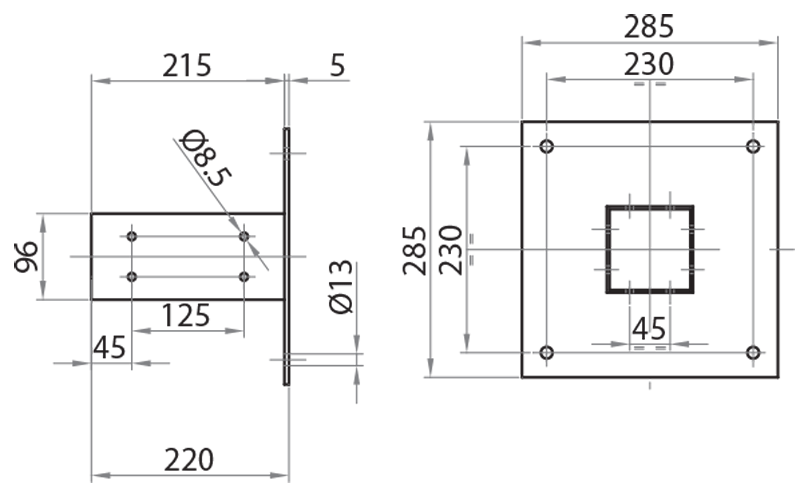
Staffe di ancoraggio a pavimento
Bodenverankerungen für Profil 90x90
cod. 539090
Bodenverankerungen für Profil 90x90
Download
Um Dateien (technische Zeichnungen, DXF, DWG...) ansehen zu können, müssen Sie registriert und authentifiziert sein
Registrieren
o
authentifizieren
Produkt No.
Material
Profiltyp
Gewicht (Kg)
539090
schwarz lackierter Stahl
90x90 mm
4,355
Ricerca
Aluminiumprofile
Hohl
8mm Hohl
8mm Hohl Serie 40
5mm Hohl Standard
6mm Hohl Serie 30
10mm Hohl Serie 45
10mm Hohl Serie 50
Leichte, selbstschneidende Profile
Winkligprofile
Halbgeschlossene Profile
Abgerundete Profile
Teleskopische Profile
Kantenprofile
Profile für Förderanlagen
Befestigungszubehör
Verbindungen: Winkel, Plättchen, Verbindungsstücke
Schrauben, Muttern, Unterlegscheiben
Stützzubehör
Befestigungsflansche für Füße und Räder
Schwingungsdämpfende Gelenkfüße
Schwingungsdämpfende, montierbare Gelenkfüße
Lenkrollen
Bodenverankerungen
Zubehör für Strukturen und Schutzeinrichtungen
Ergänzendes Zubehör
Abschließendes Zubehör
Zubehör für 5 mm Hohlprofile
Zubehör für 8 mm Hohlprofile Serie 40
Sandwich-Elemente
Bearbeitungswerkzeuge
Halterungen und Führungen
Klemmelemente und Halterungen für Fotozellen
Klemmelemente aus Aluminium
Halteführungen
Halterungen für Führungen
Aluflex
Komponenten für Rinne 65 mm
Komponenten für Rinne 86 mm
Komponenten für Rinne 127 mm
Komponenten für Rinne 196 mm
Komponenten für Rinne 259 mm
Komponenten für Rinne 314 mm
Ergänzendes Zubehör
Lineare Laufsysteme
Laufräder und Kugeln
Linearführungen Ø12
Linearführungen Ø20
Bewegung auf Profilen 60x180 und 60x130
Führungen, Schlitten und Räder
Motorisierbare Lineareinheiten
Motorisierbare Lineareinheiten z20
Lineareinheiten mit Zwischensteuerung
Geschützte Lineareinheiten mit Riemen und mit Schraube
Linearpositionierer
Förderbänder
Motorisierter Förderer mit Rollen Ø50
Motorisierter Förderer mit Rollen Ø95
Motorisierter Förderer mit Rollen Ø20
Zubehör für Förderbänder
Stauförderer
Leichtes Förderband
Bandförderer
Stauförderer mit Kette 3/8"
Stauförderer mit Kette 3/4"
Zubehör für Förderlinien
Bauteile für Rollenförderer
Arbeitsstationen und Montagelinien
Druckluftkomponenten
Laufflächen
Ergänzende Elemente
Rohrsysteme
Rohrprofile
Verbindungselemente
Rollenförderer und Verbindungsflansche
Schlusselemente
Edelstahlkonstruktionen
Edelstahlkomponenten
Zubehör für Verschlüsse
Sicherheitsschalter
Schlusstücke
Schlusstücke
Roboter
Gantry and Desktop Solutions
Zubehör für Roboter
Motion Control Alpha
Photovoltaik
Download
Um Dateien (technische Zeichnungen, DXF, DWG...) ansehen zu können, müssen Sie registriert und authentifiziert sein
Registrieren
o
authentifizieren