| Produkt No. | Material | Funktion | Gewicht (Kg/m) | 
|---|---|---|---|
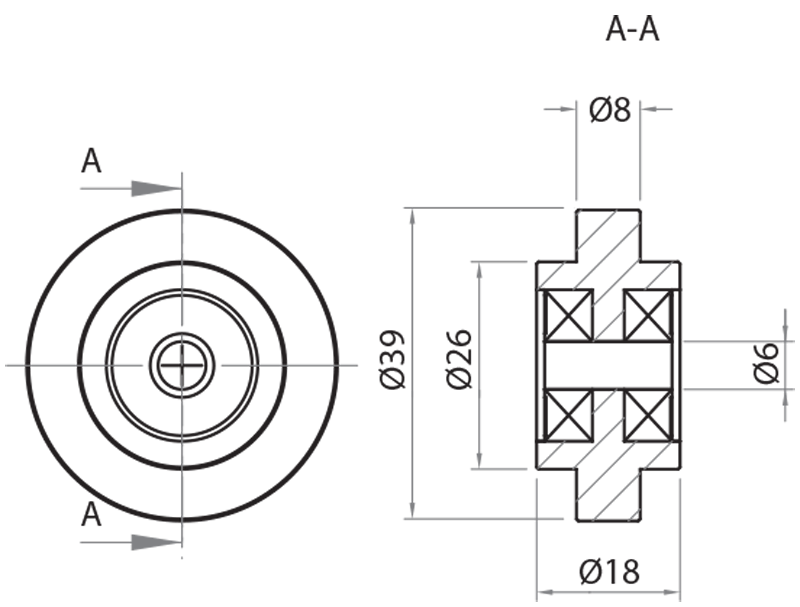
| 703906 | Polyamid und Stahl | geeignet zum Gleiten entlang der Hohl, für Scharniere und Griffe | 0,030 | 
| Produkt No. | Material | Funktion | Gewicht (Kg/m) | 
|---|---|---|---|
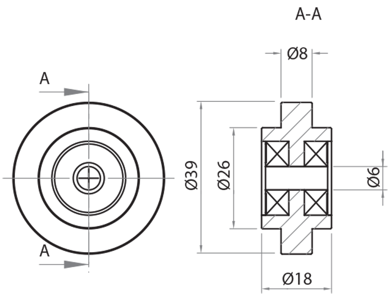
| 703906 | Polyamid und Stahl | geeignet zum Gleiten entlang der Hohl, für Scharniere und Griffe | 0,030 | 


