| Produkt No. | Material | Stab-Typ | Versorgungssatz | Gewicht (Kg) |
|---|---|---|---|---|
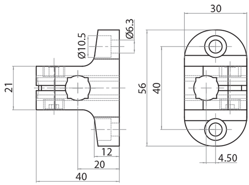
| 730011 | schwarzes Polyamid | quadratisch 10 mm - rund Ø 12 mm | komplett mit 2 H.S.H.C. Schrauben M5x14 und 2 Sechskantmuttern M5 | 0,030 |
| Produkt No. | Material | Stab-Typ | Versorgungssatz | Gewicht (Kg) |
|---|---|---|---|---|
| 730011 | schwarzes Polyamid | quadratisch 10 mm - rund Ø 12 mm | komplett mit 2 H.S.H.C. Schrauben M5x14 und 2 Sechskantmuttern M5 | 0,030 |


