Registrieren
×
Iscrizione alla newsletter
* Ich bestätige, dass ich die
Datenschutzerklärung
gelesen habe
Remember Me
Registrieren
Accedi all'area riservata
×
Accedi
Ricerca
×
Home
Alutec
Projekte
Produkte
Aluminiumprofile
5 mm Nut Profile
6 mm Nut Profile
8 mm Nut Profile (Serie 40)
8 mm Nut Profile
10 mm Nut Profile
Spezialprofile
Schlusstücke
Schlusstücke
Befestigungszubehör
Schrauben, Muttern, Unterlegscheiben
Verbindungen: Winkel, Plättchen, Verbindungsstücke
Stützzubehör
Fixierbare Antivibrations-Gelenkfüße
Lenkrollen
Befestigungsflansche für Füße und Räder
Bodenverankerungen
Zubehör für Strukturen und Schutzeinrichtungen
Ergänzungselemente und Gleitprofile
Dichtungen für Profile
Polyamidscharniere
Aluminiumscharniere
Sandwich-Elemente
Ergänzendes Zubehör
Ergänzendes Zubehör
Bohrwerkzeuge
Halterungen und Führungen
Aluminiumverbinder, Klemmen und Halterungen
Halteführungen
Führungsstützen, Polyamidklemmen
Aluflex-Kettenförderer
Komponenten für Rinne 65 mm
Komponenten für Rinne 86 mm
Komponenten für Rinne 127 mm
Komponenten für Rinne 196 mm
Komponenten für Rinne 259 mm
Komponenten für Rinne 314 mm
Förderkopf-Einheiten mit Stahlkette für 86/127/196 mm Kanäle
Ergänzendes Zubehör
Lineare Laufsysteme
Laufräder und Kugeln
Bewegungskomponenten für Profile 60x180 und 60x130
Komponenten für Ø12-Linearschienen
Komponenten für Ø12-Linearschienen
Linearführungen und Umlaufwagen
Motorisierbare Lineareinheiten
Lineareinheiten mit Zwischensteuerung
Linearpositionierer
Modulares Förderband
Motorisierter Förderer mit Rollen Ø50-Ø95
Motorisierter Förderer mit Rollen Ø50
Motorisierter Förderer mit Rollen Ø95
Motorisierter Förderer mit Rollen Ø20
Zubehör für Förderbänder
Akkumulatorförderer und Rollenbahnen
Bandförderer
Stauförderer mit Kette 3/8"
Stauförderer mit Kette 3/4"
Bauteile für Rollenförderer
Roboter
Gantry and Desktop Solutions
Zubehör für Roboter
Motion Control Alpha
Arbeitsstationen und Montagelinien
Druckluftkomponenten
Laufflächen
Ergänzende Elemente
Rohrsysteme
Rohrprofile
Verbindungselemente
Rollenförderer und Verbindungsflansche
Schlusselemente
Herunterladen
Marketing - Kataloge
Marketing - Video
Technischer Bereich
Blog
Konfigurator
Werkbänke
Förderbänder
Veranstaltungen und Messen
Kontakte
ita
eng
deu
Alutec | Profili in alluminio, sistemi di trasporto e automazione industriale
Prodotti
Nastri di trasporto e modulari
Trasporto motorizzato con rulli Ø50-Ø95
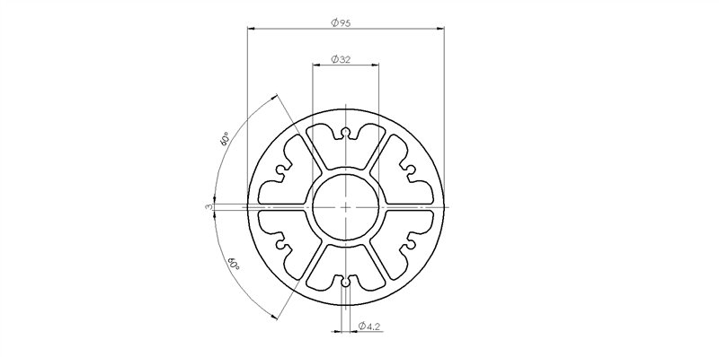
Profil für Ø95 mm Rolle
cod. 109530G
Profil für Ø95 mm Rolle
Download
Um Dateien (technische Zeichnungen, DXF, DWG...) ansehen zu können, müssen Sie registriert und authentifiziert sein
Registrieren
o
authentifizieren
Produkt No.
Material
Rohrlänge
Maximale Länge (m)
Gewicht (Kg/m)
109530G
Aluminium
auf Anfrage
2,2
7,990
Ricerca
Aluminiumprofile
5 mm Nut Profile
6 mm Nut Profile
8 mm Nut Profile (Serie 40)
8 mm Nut Profile
10 mm Nut Profile
Spezialprofile
Schlusstücke
Schlusstücke
Befestigungszubehör
Schrauben, Muttern, Unterlegscheiben
Verbindungen: Winkel, Plättchen, Verbindungsstücke
Stützzubehör
Fixierbare Antivibrations-Gelenkfüße
Lenkrollen
Befestigungsflansche für Füße und Räder
Bodenverankerungen
Zubehör für Strukturen und Schutzeinrichtungen
Ergänzungselemente und Gleitprofile
Dichtungen für Profile
Polyamidscharniere
Aluminiumscharniere
Sandwich-Elemente
Ergänzendes Zubehör
Ergänzendes Zubehör
Bohrwerkzeuge
Halterungen und Führungen
Aluminiumverbinder, Klemmen und Halterungen
Halteführungen
Führungsstützen, Polyamidklemmen
Aluflex-Kettenförderer
Komponenten für Rinne 65 mm
Komponenten für Rinne 86 mm
Komponenten für Rinne 127 mm
Komponenten für Rinne 196 mm
Komponenten für Rinne 259 mm
Komponenten für Rinne 314 mm
Förderkopf-Einheiten mit Stahlkette für 86/127/196 mm Kanäle
Ergänzendes Zubehör
Lineare Laufsysteme
Laufräder und Kugeln
Bewegungskomponenten für Profile 60x180 und 60x130
Komponenten für Ø12-Linearschienen
Komponenten für Ø12-Linearschienen
Linearführungen und Umlaufwagen
Motorisierbare Lineareinheiten
Lineareinheiten mit Zwischensteuerung
Linearpositionierer
Modulares Förderband
Motorisierter Förderer mit Rollen Ø50-Ø95
Motorisierter Förderer mit Rollen Ø50
Motorisierter Förderer mit Rollen Ø95
Motorisierter Förderer mit Rollen Ø20
Zubehör für Förderbänder
Akkumulatorförderer und Rollenbahnen
Bandförderer
Stauförderer mit Kette 3/8"
Stauförderer mit Kette 3/4"
Bauteile für Rollenförderer
Roboter
Gantry and Desktop Solutions
Zubehör für Roboter
Motion Control Alpha
Arbeitsstationen und Montagelinien
Druckluftkomponenten
Laufflächen
Ergänzende Elemente
Rohrsysteme
Rohrprofile
Verbindungselemente
Rollenförderer und Verbindungsflansche
Schlusselemente
Download
Um Dateien (technische Zeichnungen, DXF, DWG...) ansehen zu können, müssen Sie registriert und authentifiziert sein
Registrieren
o
authentifizieren