Registrati
×
Iscrizione alla newsletter
* Confermo di aver preso visione della
privacy policy
Remember Me
Registrati
Accedi all'area riservata
×
Accedi
Ricerca
×
Home
Alutec
Alutec
Mission
Alutec Service
Alutec Robotics
Alutec Food
Progetti e Realizzazioni
Prodotti
Profili in Alluminio
Cava
Cava 8 Standard
Cava 8 Serie 40
Cava 5 Standard
Cava 6 Serie 30
Cava 10 Serie 45
Cava 10 Serie 50
Profili leggeri autofilettanti
Profili angolari
Profili semichiusi
Profili arrotondati
Profili telescopici
Profili ad angolo
Profili per linee di trasporto
Accessori di fissaggio
Connessioni: angolari, piastrine, giunti
Viti, dadi, rondelle
Accessori di sostegno
Flange di fissaggio per piedi e ruote
Piedi snodati antivibranti
Piedi snodati fissabili antivibranti
Ruote girevoli
Staffe di ancoraggio a pavimento
Accessori per strutture e protezioni
Accessori di complemento
Accessori di finitura
Accessori per profili cava 5 mm
Accessori per profili cava 8 Serie 40
Pannelli di tamponamento
Utensili per la lavorazione
Supporti e guide
Morsetti e supporti per fotocellule
Morsetti in alluminio
Guide di contenimento
Supporti per guide
Aluflex
Componenti per canale 65 mm
Componenti per canale 86 mm
Componenti per canale 127 mm
Componenti per canale 196 mm
Componenti per canale 259 mm
Componenti per canale 314 mm
Accessori di complemento
Sistemi lineari di scorrimento
Rotelle di scorrimento e sfere
Guide lineari Ø12
Guide lineari Ø20
Movim. su profili 60x180 e 60x130
Guide, pattini e rotelle
Unità lineari motorizzabili
Unità lineari motorizzabili z20
Unità lineari a comando intermedio
Unità lineari protette a cinghia e a vite
Posizionatori lineari
Nastri di trasporto
Trasporto motorizzato con rulli Ø50
Trasporto motorizzato con rulli Ø95
Trasporto motorizzato con rulli Ø20
Accessori per nastri di trasporto
Trasporto ad accumulo
Trasporto leggero
Trasporto a cinghia
Trasporto ad accumulo catena 3/8"
Trasporto ad accumulo catena 3/4"
Accessori per linee di trasporto
Componentistica per rulliere
Accessori per banchi di lavoro e linee di montaggio
Componenti aria compressa
Piani di scorrimento
Elementi di complemento
Sistemi tubolari
Profili tubolari
Elementi di connessione
Guida a rulli e flange di connessione
Elementi di finitura
Strutture inox
Componentistica inox
Accessori per chiusure
Interruttori di sicurezza
Terminali di chiusura
Terminali
Robot
Gantry and Desktop Solutions
Accessori Robot
Motion Control Alpha
Fotovoltaico
Download
Marketing - Cataloghi
Marketing - Video
Area Tecnica
Blog
Configuratore
Banchi di Lavoro
Nastri di Trasporto
News
Contatti
ita
eng
deu
Alutec | Profili in alluminio, sistemi di trasporto e automazione industriale
Prodotti
Sistemi lineari di scorrimento
Unità lineari motorizzabili
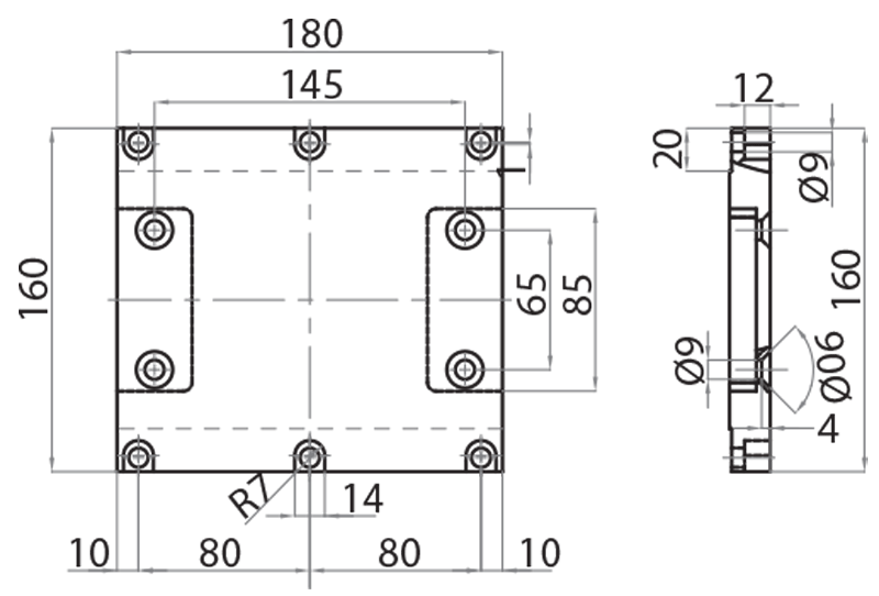
Piatto superiore per carrello 801890P
cod. L200095
Piatto superiore per carrello 801890P
Download
Per poter visaulizzare i file (Disegni tecnici, DXF, DWG...) devi essere registrato e autenticato
Registrati
o
autenticati
Riferimento
Materiale
Descrizione
Peso (Kg)
L200095
alluminio
per carrello 801890P
1,200
Ricerca
Profili in Alluminio
Cava
Cava 8 Standard
Cava 8 Serie 40
Cava 5 Standard
Cava 6 Serie 30
Cava 10 Serie 45
Cava 10 Serie 50
Profili leggeri autofilettanti
Profili angolari
Profili semichiusi
Profili arrotondati
Profili telescopici
Profili ad angolo
Profili per linee di trasporto
Accessori di fissaggio
Connessioni: angolari, piastrine, giunti
Viti, dadi, rondelle
Accessori di sostegno
Flange di fissaggio per piedi e ruote
Piedi snodati antivibranti
Piedi snodati fissabili antivibranti
Ruote girevoli
Staffe di ancoraggio a pavimento
Accessori per strutture e protezioni
Accessori di complemento
Accessori di finitura
Accessori per profili cava 5 mm
Accessori per profili cava 8 Serie 40
Pannelli di tamponamento
Utensili per la lavorazione
Supporti e guide
Morsetti e supporti per fotocellule
Morsetti in alluminio
Guide di contenimento
Supporti per guide
Aluflex
Componenti per canale 65 mm
Componenti per canale 86 mm
Componenti per canale 127 mm
Componenti per canale 196 mm
Componenti per canale 259 mm
Componenti per canale 314 mm
Accessori di complemento
Sistemi lineari di scorrimento
Rotelle di scorrimento e sfere
Guide lineari Ø12
Guide lineari Ø20
Movim. su profili 60x180 e 60x130
Guide, pattini e rotelle
Unità lineari motorizzabili
Unità lineari motorizzabili z20
Unità lineari a comando intermedio
Unità lineari protette a cinghia e a vite
Posizionatori lineari
Nastri di trasporto
Trasporto motorizzato con rulli Ø50
Trasporto motorizzato con rulli Ø95
Trasporto motorizzato con rulli Ø20
Accessori per nastri di trasporto
Trasporto ad accumulo
Trasporto leggero
Trasporto a cinghia
Trasporto ad accumulo catena 3/8"
Trasporto ad accumulo catena 3/4"
Accessori per linee di trasporto
Componentistica per rulliere
Accessori per banchi di lavoro e linee di montaggio
Componenti aria compressa
Piani di scorrimento
Elementi di complemento
Sistemi tubolari
Profili tubolari
Elementi di connessione
Guida a rulli e flange di connessione
Elementi di finitura
Strutture inox
Componentistica inox
Accessori per chiusure
Interruttori di sicurezza
Terminali di chiusura
Terminali
Robot
Gantry and Desktop Solutions
Accessori Robot
Motion Control Alpha
Fotovoltaico
Download
Per poter visaulizzare i file (Disegni tecnici, DXF, DWG...) devi essere registrato e autenticato
Registrati
o
autenticati