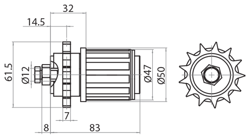
| Riferimento | Materiale | Stato di fornitura | Ø foro per perno (mm) | Peso (Kg) |
|---|---|---|---|---|
| 700254 | poliammide |
completo di n.2 cuscinetti 6002-2RS |
12 | 0,155 |
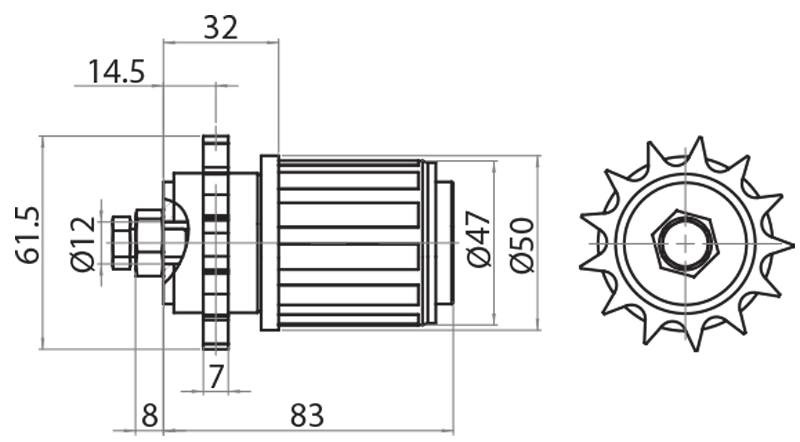
| Riferimento | Materiale | Stato di fornitura | Ø foro per perno (mm) | Peso (Kg) |
|---|---|---|---|---|
| 700254 | poliammide |
completo di n.2 cuscinetti 6002-2RS |
12 | 0,155 |


