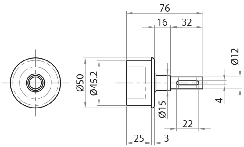
| Riferimento | Materiale | Funzione | Peso (Kg) |
|---|---|---|---|
| 904508 | acciaio zincato | per la realizzazione di rulli Ø50 mm con traino rinviato | 0,318 |
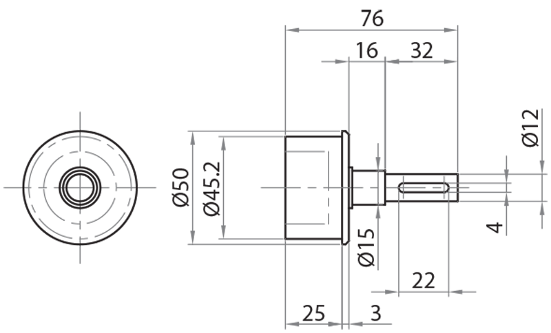
| Riferimento | Materiale | Funzione | Peso (Kg) |
|---|---|---|---|
| 904508 | acciaio zincato | per la realizzazione di rulli Ø50 mm con traino rinviato | 0,318 |


