| Riferimento | Materiale | Funzione | Stato di fornitura | Peso (Kg/m) |
|---|---|---|---|---|
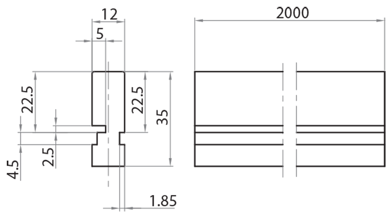
| 904513 | polizene nero | per il fissaggio della lamiera, guida del nastro e contenimento | barre da 2 m | 0,325 |
| Riferimento | Materiale | Funzione | Stato di fornitura | Peso (Kg/m) |
|---|---|---|---|---|
| 904513 | polizene nero | per il fissaggio della lamiera, guida del nastro e contenimento | barre da 2 m | 0,325 |


