ATS12197 - Testata di traino 12 denti sinistra per catena 190,5 mm / Componenti per canale 196 mm / Aluflex trasporti a catena / Prodotti / Alutec | Profili in alluminio, sistemi di trasporto e automazione industriale - Alutec Group
ATS12197 - Testata di traino 12 denti sinistra per catena 190,5 mm / Componenti per canale 196 mm / Aluflex trasporti a catena / Prodotti / Alutec | Profili in alluminio, sistemi di trasporto e automazione industriale - Alutec Group

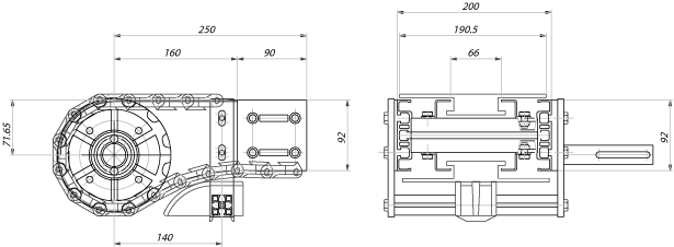
Testata di traino 12 denti sinistra per catena 190,5 mm

cod. ATS12197

Testata di traino 12 denti sinistra per catena 190,5 mm


Download
Per poter visaulizzare i file (Disegni tecnici, DXF, DWG...) devi essere registrato e autenticato
Registrati o autenticati
Riferimento Dimensione canale (mm) Largh. catena (mm) Ø primitivo (mm) Ø esterno (mm) Nr. denti
ATS12196 196mm con pattino 190,5 147,2 149,9 12
ATS12197 196mm con rullino 190,5 147,2 149,9 12