ARU12128 - Testata di rinvio 12 denti per catena 114,3 mm / Componenti per canale 127 mm / Aluflex trasporti a catena / Prodotti / Alutec | Profili in alluminio, sistemi di trasporto e automazione industriale - Alutec Group
ARU12128 - Testata di rinvio 12 denti per catena 114,3 mm / Componenti per canale 127 mm / Aluflex trasporti a catena / Prodotti / Alutec | Profili in alluminio, sistemi di trasporto e automazione industriale - Alutec Group

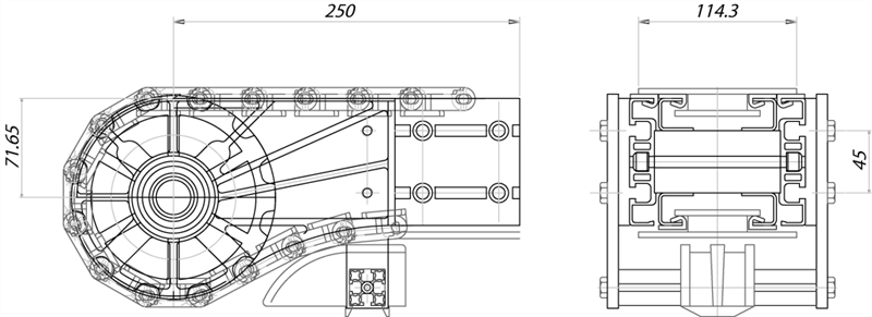
Testata di rinvio 12 denti per catena 114,3 mm

cod. ARU12128

Testata di rinvio 12 denti per catena 114,3 mm


Download
Per poter visaulizzare i file (Disegni tecnici, DXF, DWG...) devi essere registrato e autenticato
Registrati o autenticati
Riferimento Dimensione canale (mm) Largh. catena (mm) Ø primitivo (mm) Ø esterno (mm) Nr. denti
ARU12127 127mm con pattino 114,3 147,2 149,9 12
ARU12128 127mm con rullino 114,3 147,2 149,9 12